Выбор дымохода для котла - задача не из легких, но выполнимая. Каждый потребитель хочет, чтобы его система отопления служила ему как можно дольше и не требовала ремонта. Метод вентиляции дымовых газов соответствует этим требованиям. Соблюдая правила установки концентрического дымохода для газового котла, вы сможете продлить срок службы прибора.

Двухконтурный метод забора воздуха и отвода дымовых газов более эффективен, чем традиционный метод.
Этот метод заключается в двухрядном расположении труб, через которые отводятся продукты сгорания и подается свежий воздух в случае двухкамерных котлов. Классическая дымоходная система втягивает воздух из помещения в камеру сгорания. Коаксиальная модель забирает воздух снаружи и нагнетает его в камеру сгорания.
Продукты сгорания выходят через внутреннюю трубу наружу, а поток свежего воздуха направляется к котлу. Это создает эффект теплообмена.

Принцип работы дымовой системы основан на привлечении продуктов сгорания из наружного воздуха.
Свежий воздух поступает в камеру сгорания, когда она нагрета, повышая эффективность работы газового котла. Благодаря теплообмену горячий воздух на выходе охлаждается и в результате выбрасывается наружу теплым, а не горячим воздухом, что снижает температуру дымохода и делает конструкцию дымохода более безопасной.
Дизайн варьируется от типа к типу:

Внешние приборы крепятся к наружной стене здания, для внутренних приборов воздуховод прокладывается внутри помещения.

Изоляция дымохода - обязательное условие в северных регионах

Коллективные системы используются при наличии нескольких радиаторов в вертикальном воздуховоде.

Способ установки выбирается индивидуально для каждого дома
Важным преимуществом коаксиального метода является то, что забор воздуха для горения происходит с улицы. Это снижает требования к вентиляции в котельной во время монтажа.
Преимущества системы:
Недостатки:

Замерзание дымохода является следствием неправильной организации дымохода
Вся конструкция состоит из:

Коаксиальная дымовая труба состоит из нескольких компонентов
Внешний воздуховод действует как охлаждающее устройство, понижающее температуру трубы на поверхности. Это исключает необходимость строительства дополнительных пожарных объектов.
В соответствии с правилами техники безопасности ČSN 60.13330 необходимо соблюдать следующие правила

Требования к назначению дымовой трубы являются обязательными
Специалисты рекомендуют устанавливать дымоходную систему в соответствии с инструкциями, прилагаемыми к дымоходу.
По мнению одних мастеров, уклон для слива конденсата следует делать в сторону помещения, другие утверждают, что он должен быть в сторону земли. Однако эти аргументы заставили производителей создать устройство для сбора конденсата. В этом случае откос должен быть установлен в сторону радиатора.
Предупреждение. Если зимой труба отклоняется наружу, происходит обледенение дымохода, что снижает тяговые характеристики котла.Специалисты-производители настоятельно рекомендуют делать уклон внутрь, так как длительная эксплуатация газового прибора с обледеневшей трубой приведет к серьезной поломке прибора.
В случае уклона в сторону котла конденсат собирается в камере сгорания. Производители разработали сборник конденсата, который устанавливается внутри топки. Они также разработали комплект, включающий удлинительную насадку для внутреннего дымохода. Он имеет встроенную защитную катушку. При установке данного комплекта рекомендуется располагать отверстия для забора воздуха снизу.
Порядок монтажа концентрического дымохода для двухконтурного газового котла СНиП 2.04.08-87 и 2.04.05-91 Несоблюдение требований приведет к тому, что сотрудники газовой службы откажутся принимать неправильно установленный прибор.
SNiP регулирует:
На фото показаны чертежи концентрического дымохода для газового котла:

Сравнение традиционного и двухконтурного метода дымохода

Работа впускной и выпускной систем строго регламентирована

Горизонтальный способ монтажа приточных и вытяжных воздуховодов

Варианты установки дымоходной системы для газовых приборов

Установка дымохода для традиционного газового котла

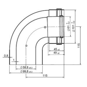
Размер дымового колена - важный параметр

Простейший пример установки дымохода, доступный даже начинающим строителям

Поток воздуха во время работы приточно-вытяжной системы
Существуют горизонтальный и вертикальный способы установки. Выбор зависит от котельной. Важным требованием является отсутствие посторонних предметов на монтажной стене.

В деревянном доме все компоненты системы отопления закреплены на листе.
Перед установкой проверьте:
После сбора всех этих данных показания проверяются на соответствие нормам СНиП. Если все требования соблюдены, приступайте к непосредственной установке дымохода. Если эти требования не могут быть выполнены, необходимо выбрать вертикальную установку дымовой системы.
Угол наклона следует выбирать в соответствии с рекомендациями производителя газового котла. Для двухконтурного типа рекомендуется делать уклон в сторону котла, для классического устройства - в сторону земли. Если уклон трубы направлен наружу, специалисты советуют изолировать канал.
Если нет возможности построить отопительную конструкцию горизонтальным методом, используется вертикальная установка концентрического воздуховода к газовому котлу. Если необходимо провести дымоход через конструкцию крыши, следует учитывать вопросы пожарной безопасности и при монтаже использовать изоляционные рукава и защитные кожухи. В качестве изоляционного материала рекомендуется использовать огнестойкие изоляционные компоненты.
Внимание! Эксперты рекомендуют оставлять воздушный зазор между участком крыши и трубой. Однако розетка должна быть тщательно загерметизирована и закрыта герметичным кожухом.

Варианты вертикальной установки несущей трубы
Монтаж может осуществляться двумя способами: наружным или внутренним. Специалисты рекомендуют проводить изоляцию обоими методами.
Система собирается в следующем порядке:

Внутренняя часть концентрического дымохода
Согласно нормативам, на 3-метровом участке дымовой трубы устанавливается 3 фитинга или 2 колена. Все стыки плотно и тщательно прижаты друг к другу. Чем меньше количество соединений, тем надежнее система.
Каждый производитель концентрического дымохода для газового котла предоставляет набор инструкций для пользователя. Ошибки, допущенные при установке, могут привести к выходу устройства из строя. Работы по установке выполняются в следующем порядке:

По окончании процесса установки всегда следует проверять герметичность соединений.
Надежное соединение труб обеспечивается переходными фитингами. Все соединения должны быть покрыты герметиком и защитным кожухом.
Для того чтобы газовый прибор был принят на гарантию сервисной службой, необходимо установить концентрическую систему дымохода, рекомендованную для котла.
Не стоит недооценивать помощь специалистов и выполнять монтаж самостоятельно без достаточного опыта.
Неправильные расчеты приводят к изменению температуры на выходе и увеличению конденсации. В результате на головке котла образуется лед. В деревянных помещениях обязательна установка металлических щитов.
Защитные узлы увеличивают стоимость конструкции, но в то же время повышают ее эффективность. Вертикальный способ установки всегда включает в себя клапан для увеличения тяги и комплект для сбора конденсата.
Горизонтальные системы дополнительно оснащаются антиобледенительным модулем, ветрозащитным экраном и мембраной.
Соблюдая правила установки концентрического дымохода для газового котла, вы сможете продлить срок службы отопительного прибора. Простое в установке, устройство способно облегчить жизнь в частном доме.