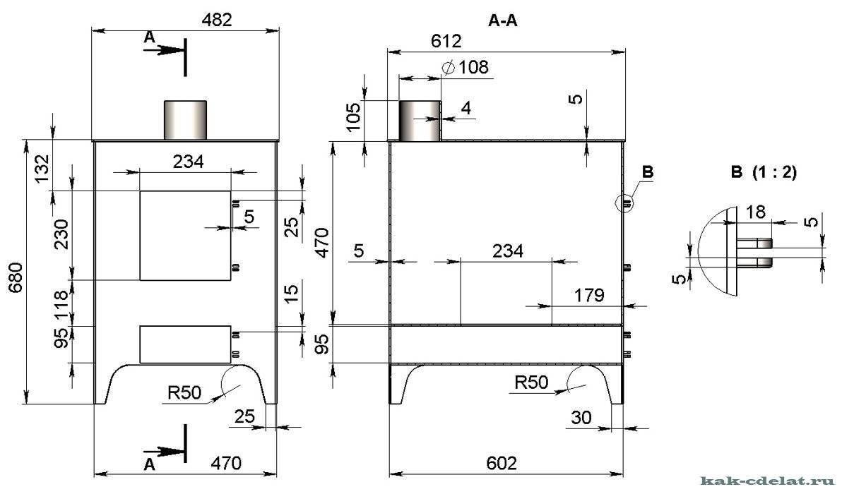
Одним из лучших вариантов устройства для обогрева сауны является металлическая плита, изготовленная из листовой стали и облицованная кирпичом. Такая самодельная каменка не мобильна, но пожаробезопасна, а значит, ее можно установить в жилом доме или даже в деревянном здании бани.
Чтобы построить самодельную банную плиту, вам понадобятся следующие инструменты
У вас также должны быть железные листы толщиной 2-3 миллиметра и арматура толщиной 8-10 миллиметров.
Важным моментом является то, что при устройстве такой плиты необходимо правильно выбрать сечение дымохода, поскольку от него зависит сила тяги, на которую также влияют атмосферные условия: чем теплее и влажнее воздух, тем она слабее.
В недостаточно широком дымоходе газы и воздух начнут смешиваться, не успев выйти наружу. Это приводит к засорению дымохода. Если диаметр дымохода слишком большой, то газы будут двигаться в дымоходе слишком медленно, а поверхность внутренних стенок быстро засорится.
Железные банные плиты своими руками строятся следующим образом:
Выбор качественного продукта - это хлопотное и серьезное решение. Вы можете купить недорогую дровяную печь для отопления и наслаждаться ею в течение десятилетий.
Важно четко понимать, что вам нужно и для чего, рассчитать точную мощность установки, уточнить ее автономность и другие технические детали. Тогда вы будете на 100% удовлетворены своей покупкой и получите от нее максимальную пользу.
Ниже представлены наиболее популярные разновидности оборудования от ведущих производителей в отрасли.
Обогреватели с красочным названием родом из далекой Канады. Они отличаются надежностью и высокой теплоотдачей. Они изготавливаются из цилиндрической стальной топки с толщиной стенки 6 мм и более. Дверца топки расположена спереди для удобства загрузки дров. Вдоль боковых сторон корпуса расположены трубы для конвекции теплых воздушных масс.

Конструктивно аппарат разделен на две части, в первую загружаются топливные брикеты, а во второй сжигается пиролитическая газовая смесь. Отверстие для подключения камеры для курения расположено с противоположной стороны от загрузочной заслонки.

Такие теплогенераторы предназначены не только для обогрева домов в сильные морозы, но и для обогрева бань.

Существует несколько разновидностей этого оборудования, которые отличаются по характеристикам работы. Модель со звучным названием "Студент" имеет запас мощности 9 кВт при весе 70 кг и обеспечивает отличный обогрев до 150 кубических метров поверхности. Самым мощным агрегатом является "Академик" - при весе 300 кг он прекрасно обогревает помещения объемом до 1200 м3. Также были разработаны промежуточные серии - "Доцент", "Инженер" и "Профессор", способные обогревать здания объемом от 250 до 1000 м3.










Дровяная печь от отечественного производителя является усовершенствованным аналогом канадского устройства с аналогичным названием. Он производится на современных, технологически совершенных производственных линиях в соответствии со всеми применимыми международными стандартами качества и безопасности. Модельный ряд обозначается аббревиатурой AOT с цифровым серийным номером. Чем меньше индекс, тем меньше вес прибора и его функциональность. Мощность прибора напрямую влияет на объем помещения, которое он может обогреть. Нагреватель мощностью 6 кВт может обогреть 56 м2 площади, нагреватель мощностью 35 кВт - до 260 м2.

Некоторые модели оснащены отводами для циркуляции воды и красивыми дверцами из огнеупорного стекла. Недостатком плиты Brenneran является высокая вероятность попадания влаги в помещение, где находится плита. Это происходит из-за недостаточной герметичности соединения дымохода.

Печи отличного качества от российского производителя предназначены для обогрева дома в наши суровые зимы. Устройства этой марки характеризуются компактными размерами, отличной производительностью и относительно небольшим весом.

Предлагается множество мультиформатных вариантов:

Это хороший и компактный прибор российского производства, предназначенный для загородных домов, гаражей, бань и других хозяйственных и жилых построек. Теплообменник выбирается на основе технических параметров отапливаемого помещения.

Дизайнерская разработка отечественной компании включает в себя несколько продуктов с очень живописными названиями. Компактность и высокая эффективность при экономичном расходе топлива обеспечивают популярность устройства среди населения. В зависимости от типа, устройство может обогревать помещения объемом от 55 до 255 м3.

Это надежное устройство отличается миниатюрными размерами, небольшим весом и превосходной тепловой эффективностью. Котлы отлично работают, их можно устанавливать как на фермах, так и в жилых домах.

Это кастрюля для подогрева и приготовления пищи из прочного и жаростойкого чугуна ЧХ-1. Высокое качество подогревателя, его многофункциональность, долговечность и эстетичный внешний вид являются его основными преимуществами.










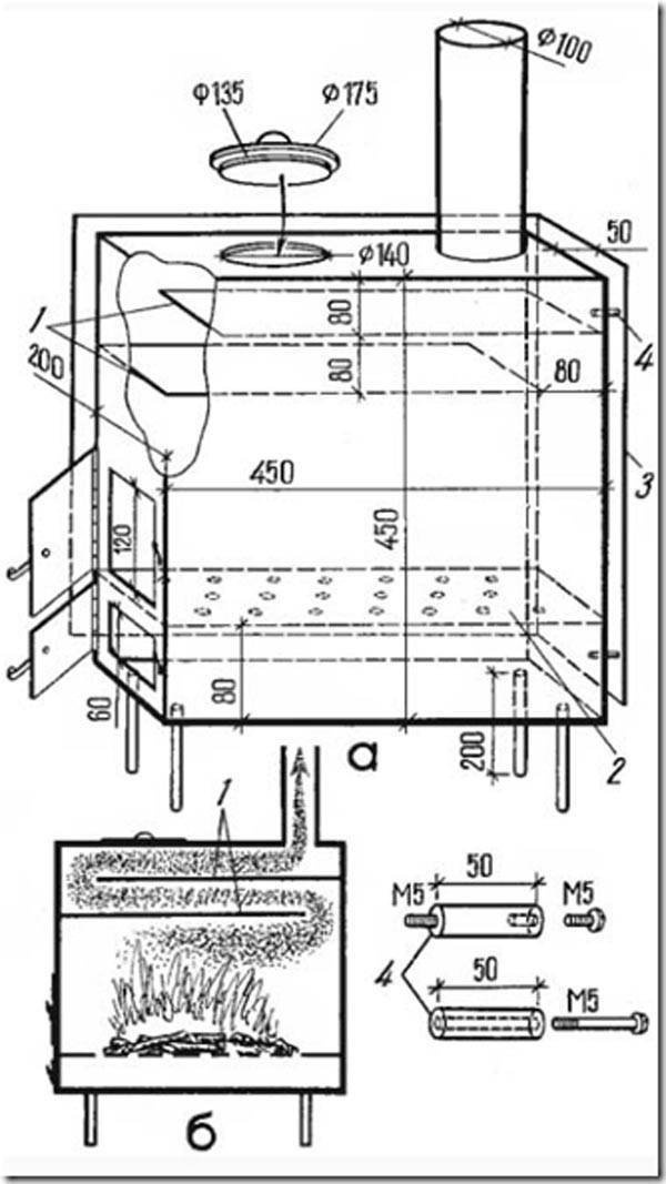
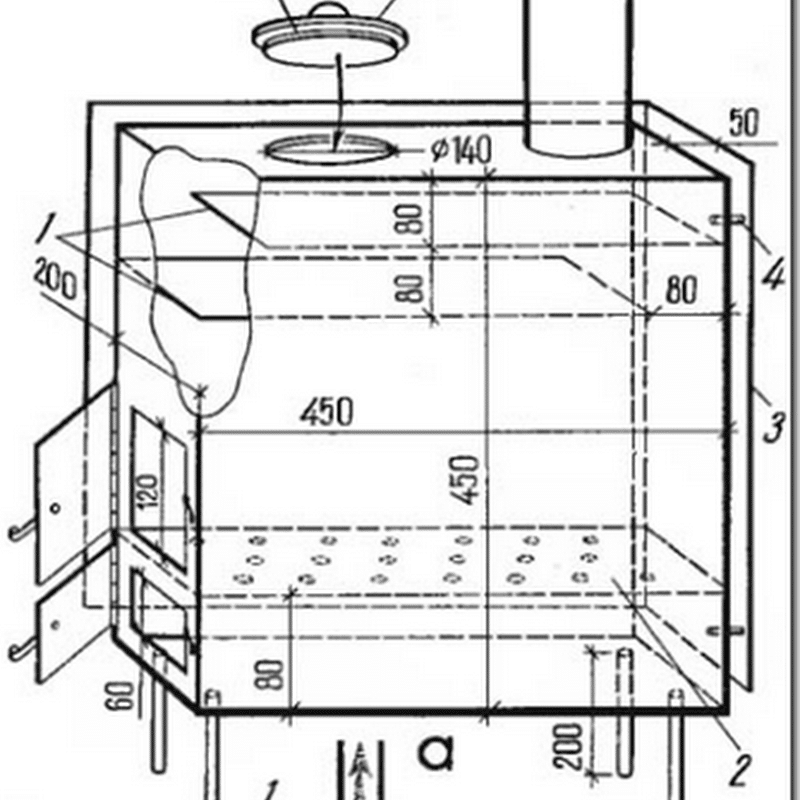
Буржуйка стала настоящим символом России после революции и гражданской войны.
Так называлась простейшая железная плита цилиндрической или кубической формы. Его преимущество заключалось в том, что дымоход - простую железную трубу - можно было проложить в любом месте - через стену или крышу, к окну.
Взяв за основу простоту и практичность буржуйки, вы можете создать небольшую кухонную плиту, воплотив в ней несколько простых идей, которые значительно повышают ее эффективность, безопасность и экологичность.
Классическая буржуйка имеет цилиндрическую форму. Однако самодельный сделать сложно, поэтому за основу нужно взять куб или параллелепипед.

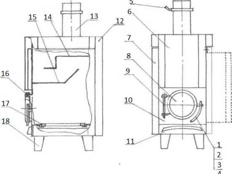
Он содержит следующие элементы конструкции:
Экспертное мнение
Дмитрий Константинович Левин
Некоторые производители самодельных печей считают, что конструкция с зольником и колосником не подходит для банных печей - она создает слишком сильную тягу, которая не дает дровам полностью сгореть. Вместо этого дрова следует класть прямо на дно кастрюли, а для притока воздуха следует просверлить несколько круглых отверстий в дне топки и снабдить их раздвижной дверцей.
Люк изготовлен из толстого металлического листа. Для крепления можно использовать готовую петлю или сделать ее самостоятельно. Асбестовая нить используется для уплотнения посадки, которая заклинивается в пазу, вырезанном болторезом.
Если есть подходящий лист жаропрочного стекла, его вставляют следующим образом: вырезают окно в двери и шлифуют вырез. Затем укладывается стекло, по невидимому снаружи периметру укладывается асбестовое волокно, а затем с помощью небольших стальных щипцов производится скрепление с каждой стороны.
Проще всего сделать вращающуюся ручку с внешней стороны.

Основным недостатком печи является ее низкая эффективность. Воздушный поток быстро и сильно проходит через весь котел, забирая с собой не только несгоревшие продукты, но и тепло. В результате корпус не нагревается в достаточной степени и отдает меньше тепла. Для решения этой проблемы было придумано простое, но умное решение.
Благодаря размещению двух стальных пластин над топкой, дымовой канал значительно увеличивает длину пути, который проходит дымовой газ перед выходом через отверстие дымохода:
Если просверлить несколько отверстий снизу и закрыть их крышкой из стального листа, то в верхней точке, когда свежий воздух, но уже нагретый стеной, встретится с несгоревшими газами, в воздуховоде произойдет процесс дожигания, что значительно повысит КПД плиты.
Они отличаются друг от друга по структуре и принципам работы. Давайте подробно проанализируем каждый тип.
Камни укладываются сверху на плиту и не накрываются. Благодаря этому паровая баня нагревается быстрее, температура достигает 100 градусов. Но влажность в помещении низкая, поэтому тепло сухое.

Продукт состоит из трех частей:
Камней не должно быть слишком много, иначе верхний слой не будет достаточно прогрет, и паровая баня не будет достаточно теплой.
Чтобы повысить уровень влажности и увеличить выделение пара, просто налейте воду на горячие камни. Достаточно одного или двух ведер - это обеспечит влажность до 15%.










Для повышения пожарной безопасности и снижения риска ожогов рекомендуется построить вокруг стен парилки огнеупорные кирпичи или деревянную перегородку.
При нагревании сауны важно, чтобы как можно большая часть поверхности плиты соприкасалась с воздушным пространством. Это позволяет воздуху в помещении сауны быстрее нагреваться.

Если вы решили топить каменку дровами, следует заранее заготовить большое количество дров. Нагревателю требуется некоторое время для достижения нужной температуры, но как только это происходит, он дает хорошую теплоотдачу и сохраняет тепло в течение длительного времени.

Закрытые конструкции идеально подходят для больших саун, где помимо парной, моечной, предбанника есть комната отдыха.
Одним из преимуществ являются закрытые камни для сауны. Поэтому риск ожога отсутствует.
Экономичные модели, представленные на рынке, имеют двойную оболочку с зазором между стенками для обеспечения воздухообмена.
Конструкция большинства производителей состоит из высокого ящика с решетками и двойными жалюзи (выполняющими роль очага). Из горловины коробки выходит дымоход. Здесь камни также расположены в виде горла.

В продаже есть приборы с комбинированными видами топлива:
Нет необходимости постоянно контролировать их. Просто установите их на необходимую температуру.
По своей конструкции они делятся на 3 типа:
Первые два типа не требуют сброса, так как вы можете переключаться с одного вида топлива на другое.

Газ используется из сети или сжиженный в баллонах.
Электрические и дровяные конструкции могут успешно отапливаться электричеством или дровами (по желанию). Основным сырьем является древесина. Когда он перегорает и температура падает, электронагреватель автоматически включается в работу. По бокам изделия расположены два нагревательных элемента. Такие плиты работают от сети 220 Вт, с трехфазным напряжением 380 В.










Владельцы могут выбрать вид топлива для отопления своей сауны. Однако такие конструкции во много раз дороже простых дровяных печей.
Одной из особенностей отопительных приборов является камера вторичного дожига, которая характеризуется медленным горением топлива. Проще говоря, поленья в очаге не горят, а светятся. Этот эффект достигается путем регулирования количества воздуха, поступающего в камеру сгорания.
Камера сгорания разделена на два отсека. По мере тления древесины несгоревшие продукты сгорания поступают во второй отсек, куда также поступает воздух из инжекторных трубок, после чего газы полностью сгорают, а древесина продолжает тлеть.
Несгоревший газ из основной камеры сгорания поступает во вторичную камеру сгорания, где, смешиваясь с дополнительным воздухом, воспламеняется, выделяя дополнительную тепловую энергию
Преимуществами системы являются: более длительный срок службы оборудования, более высокая энергоэффективность - плита работает 8-9 часов на одной загрузке дров.
Недостатков немного больше: система работает только на сухих дровах, режим горения придется постоянно регулировать, что несколько неудобно. Также необходимо постоянно проверять чистоту дымохода и проводить периодическую чистку.
Если вы хотите сделать тематическую установку, вам придется рассмотреть множество фотографий с металлическими плитами, сделанными своими руками, а затем сделать чертеж и вооружиться:
Когда все инструменты собраны, можно приступать непосредственно к мероприятию:
Изготовление металлической плиты - вполне выполнимая задача. Вам просто нужно подходить к проекту спокойно и постепенно. Тогда конечный результат вас точно не разочарует.
Тематические приборы для отопления и приготовления пищи бывают трех типов:
Первый тип в основном представлен горелкой, которая является самым популярным автономным средством отопления. Он подходит для использования в гаражах и мастерских.
Капельные плиты работают на отработанных промышленных маслах. Они достаточно экологичны и не требуют большой загрузки топлива, как каминные вставки.









Если вы выберете конструкцию с воздуховодом, вам следует знать о следующих особенностях:
Все вышеперечисленные плиты изготовлены из металла, но дизайн каждого типа отличается.
Дата: 25 сентября 2020 года.





